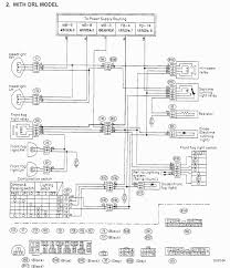
2000 Subaru Impreza Wiring Diagram : 2000 Subaru Outback Headlight Wiring Harness Wiring Diagram Res Gear Walk A Gear Walk A Ilristorantelabarca It - There is no full wiring diadram for this model.. Subaru impreza wrx wiring diagrams.gif. Each section is organized into 'parts diagrams', 'service procedures', etc. Conversion of a 2000 legacy wiring harness for use in a vw vanagon westfalia. Sedans and versatile persons impreza appeared in the model range of the subaru brand in 1992, and in 1995 debuted the coupe version. This pinout is associated with 1 compatible devices or models.

Запчасти на subaru impreza (субару импреза). At the detroit motor show in 2002 was featured pickup baja, which became the basis of the outback. Page 222 consult your authorized subaru dealer concerning the connection of wires for trailer lights. Wiring diagram for a subaru impreza. This was the main goal of this project.

2000 Subaru Impreza Fuel Filter Location Wiring Diagram Options Nest A Nest A Studiopyxis It
2000 Subaru Impreza Fuel Filter Location Wiring Diagram Options Nest A Nest A Studiopyxis It from i.imgur.com
This pinout is associated with 1 compatible devices or models. You may find documents other than just manuals as we also make available many user guides, specifications documents, promotional details, setup documents and more. Conversion of a 2000 legacy wiring harness for use in a vw vanagon westfalia. Subaru owner's manual & wiring diagrams. Savesave subaru impreza wiring diagram.pdf for later. Each section is organized into 'parts diagrams', 'service procedures', etc. Subaru impreza workshop, repair and owners manuals for all years and models. Free pdf download for thousands of cars and trucks.

This was the main goal of this project.

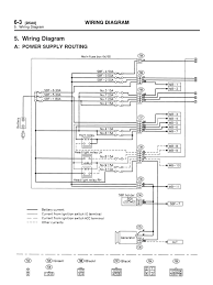
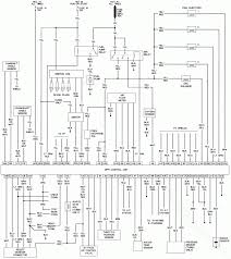
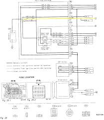
View and download subaru 2000 impreza owner's manual online. All the schematics are divided into the various electrical systems on the car. Have been incorporated into the service manual in the proper. Here are the manuals for the '93 to '96 imprezas. Conversion of a 2000 legacy wiring harness for use in a vw vanagon westfalia. Subaru impreza wrx wiring diagrams.gif. Subaru impreza workshop factory service repair manual and wiring diagram 2000. This pinout is associated with 1 compatible devices or models. Page 222 consult your authorized subaru dealer concerning the connection of wires for trailer lights. Subaru impreza workshop, repair and owners manuals for all years and models. Subaru owner's manual & wiring diagrams. Each section is organized into 'parts diagrams', 'service procedures', etc. 2001 subaru impreza 2.5rs vw wiring harness conversion.

Page 222 consult your authorized subaru dealer concerning the connection of wires for trailer lights. Variations impreza wrx won the world championship several times with such pilots, as, for example, colin mcrae. Impreza is a compact automobile. Conversion of a 2000 legacy wiring harness for use in a vw vanagon westfalia. 2001 subaru impreza 2.5rs vw wiring harness conversion.

2000 Subaru Impreza Fuse Box Diagram Wiring Diagram Schematic List Monitor List Monitor Aliceviola It
2000 Subaru Impreza Fuse Box Diagram Wiring Diagram Schematic List Monitor List Monitor Aliceviola It from www.scoobynet.com
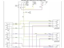
Subaru impreza workshop, repair and owners manuals for all years and models. Запчасти на subaru impreza (субару импреза). Wrx factory radio connector wire color ( wires go to wrx's speakers, etc.). Variations impreza wrx won the world championship several times with such pilots, as, for example, colin mcrae. Manufactured since 1992, the subaru impreza was introduced as the replacement for the leone. Using technology from the aircraft industry, subaru was able to create many successful inventions in the automotive. View and download subaru 2000 impreza owner's manual online. Impreza sunroof control system wiring diagram.

Wrx factory radio connector wire color ( wires go to wrx's speakers, etc.).

Savesave subaru impreza wiring diagram.pdf for later. There is no full wiring diadram for this model. We have the following 2000 subaru impreza manuals available for free pdf download. At the detroit motor show in 2002 was featured pickup baja, which became the basis of the outback. Subaru impreza workshop factory service repair manual and wiring diagram 2000. Subaru impreza workshop, repair and owners manuals for all years and models. Each section is organized into 'parts diagrams', 'service procedures', etc. Here are the manuals for the '93 to '96 imprezas. Subaru impreza wrx wiring diagrams.gif. This was the main goal of this project. Have been incorporated into the service manual in the proper. Page 222 consult your authorized subaru dealer concerning the connection of wires for trailer lights. Subaru gl 1986 wiring diagram.jpg.

This was the main goal of this project. Have been incorporated into the service manual in the proper. Impreza sunroof control system wiring diagram. We have the following 2000 subaru impreza manuals available for free pdf download. Запчасти на subaru impreza (субару импреза).

2000 Subaru Forester Airbag Wiring Diagram Wiring Diagram Write Engine A Write Engine A Ristruttura4 0 It
2000 Subaru Forester Airbag Wiring Diagram Wiring Diagram Write Engine A Write Engine A Ristruttura4 0 It from imgv2-1-f.scribdassets.com
Wrx factory radio connector wire color ( wires go to wrx's speakers, etc.). Subaru impreza workshop, repair and owners manuals for all years and models. Subaru owner's manual & wiring diagrams. Запчасти на subaru impreza (субару импреза). Conversion of a 2000 legacy wiring harness for use in a vw vanagon westfalia. Manufactured since 1992, the subaru impreza was introduced as the replacement for the leone. At the detroit motor show in 2002 was featured pickup baja, which became the basis of the outback. All the schematics are divided into the various electrical systems on the car.

At the detroit motor show in 2002 was featured pickup baja, which became the basis of the outback.

Manufactured since 1992, the subaru impreza was introduced as the replacement for the leone. All the schematics are divided into the various electrical systems on the car. Subaruimpreza 2000 2001 fuse box diagram auto genius. We have the following 2000 subaru impreza manuals available for free pdf download. Sedans and versatile persons impreza appeared in the model range of the subaru brand in 1992, and in 1995 debuted the coupe version. Here are the manuals for the '93 to '96 imprezas. Subaru impreza workshop factory service repair manual and wiring diagram 2000. In 2000, the impreza has received the title of car of the year in japan. There is no full wiring diadram for this model. Page 222 consult your authorized subaru dealer concerning the connection of wires for trailer lights. Free repair manuals & wiring diagrams. Savesave subaru impreza wiring diagram.pdf for later. Have been incorporated into the service manual in the proper.

By